×ðÁú¿­Ê±

½¨Í¶¶¯Ì¬

¹«Ë¾ÒªÎÅ

ÐÂÎÅÖÐÐÄ
¹úÆó×ÊѶ
¹«Ë¾ÒªÎÅ

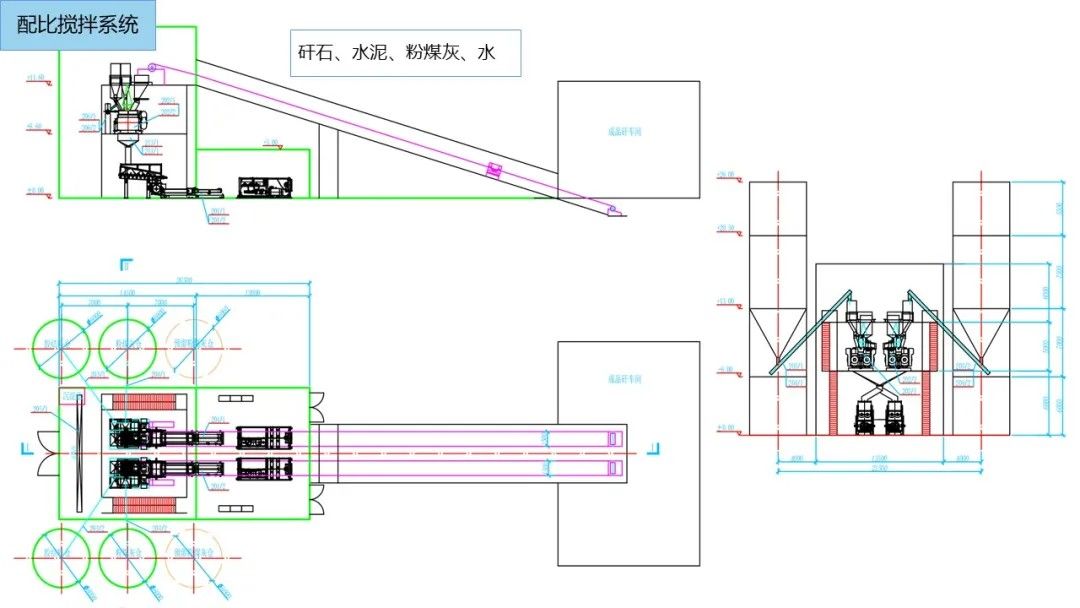
¿ËÈÕ£¬£¬£¬£¬ÓÉɽÎ÷½¨Í¶ÃºÉèÔº¼¯ÍÅÈÏÕæÉè¼ÆµÄÈýԪúҵ½¨£¨¹¹£©ÖþÎïϳäÌ²ÉÏîĿͶÈëÔËÐС£¡£ ¡£¡£¡£¸ÃÏîĿռµØ2.41¹«Ç꣬£¬£¬£¬Éè¼ÆÄÚÈݰüÀ¨í·Ê¯ÆÆËé²Ö´¢ÏµÍ³¡¢Åä±È½Á°èϵͳ¡¢¸¨Öú³äÌîϵͳºÍÖÇÄÜ»¯³äÌî¿ØÖÆÏµÍ³¡£¡£ ¡£¡£¡£

ÏîĿʵÑéµÄ½¹µãÌôÕ½ÔÚÓÚÆäú̿×ÊԴλÓÚÐÞ½¨ÎˮÌåºÍÌú·¡°ÈýÏ¡±Ñ¹¸²ÇøÓò£¬£¬£¬£¬¹Å°åµÄ¿ª²É·½·¨Ò»¶¨Òý·¢µØ±í³ÁÏÝ£¬£¬£¬£¬ÑÏÖØÍþвÇå¾²¡£¡£ ¡£¡£¡£Îª´Ë£¬£¬£¬£¬ÍŶÓÕö¿ªÁËÈ«·½Î»¡¢¶¨ÖÆ»¯µÄÉî¶ÈÉè¼Æ¹¥¼á£¬£¬£¬£¬×îÖÕÐγÉÁËÒÔ¡°¸àÌåÖÇÌΪ½¹µã£¬£¬£¬£¬¡°È«¹Ì·Ï¡±Ê¹Óú͡°ÖÇÄÜ»¯¡±¿ØÖÆÎªÁ½ÒíµÄϵͳ»¯½â¾ö¼Æ»®¡£¡£ ¡£¡£¡£

¡°È«¹Ì·Ï¡±µã½ðÊõ£º±ä·ÏΪ±¦µÄÂÌÉ«ÖÊÁϸïÃü

Ϊ½â¾ö¹Å°å³äÌîÖÊÁϱ¾Ç®¸ß¡¢ÈªÔ´ÊÜÏÞµÄÎÊÌ⣬£¬£¬£¬ÏîÄ¿ÍŶӴ´Á¢ÐԵؽ«»·±£Ñ¹Á¦×ª»¯ÎªÉè¼ÆÓÅÊÆ£¬£¬£¬£¬Ñз¢²¢Ó¦ÓÃÁË¡°È«¹Ì·Ï¡±¸àÌåÅä·½¡£¡£ ¡£¡£¡£¸Ã¹¤ÒÕͨ¹ý׼ȷµ÷¿ØÖÊÁϼ¶ÅäºÍŨ¶ÈµÈÒªº¦²ÎÊý£¬£¬£¬£¬½«¿óÇøÈº¼¯µÄúí·Ê¯¡¢·Ûú»ÒµÈ¹Ì·Ïת»¯ÎªÐÔÄÜÓÅÁ¼µÄ³äÌîÖÊÁÏ£¬£¬£¬£¬¼È°ü¹ÜÁ˸àÌåµÄÁ÷¶¯ÐÔ¡¢Ç¿¶ÈºÍÎȹÌÐÔ£¬£¬£¬£¬ÓÖʵÏÖÁ˹̷Ï×ÊÔ´»¯Ê¹Óᣡ£ ¡£¡£¡£

Ϊ֧³ÖÕâÒ»Á¢Ò칤ÒÕ£¬£¬£¬£¬ÍŶÓÅäÌ××ðÁú¿­Ê±ÁËÈ«¹Ø±ÕÆÆËéɸ·ÖϵͳºÍÖÇÄÜÅä±È½Á°èÕ¾£¬£¬£¬£¬²¢Á¢Òì½ÓÄɲ¨×´µ²±ß´øÊ½ÔËËÍ»ú£¬£¬£¬£¬¹¹½¨ÁË¡°ÆÆË顪ÔËËÍ¡ªÅä±È¡ª½Á°è¡ª¹ÜµÀÔËËÍ¡ª²É¿ÕÇø³äÌµÄÍêÕû¹¤ÒÕÁ´¡£¡£ ¡£¡£¡£¸ÃÔËËÍϵͳͨ¹ýÆæÒìµÄ²¨×´µ²±ßÉè¼Æ£¬£¬£¬£¬ÏÔÖøÌáÉýÁËÎïÁϳÐÔØÁ¿ºÍÔËËÍÎȹÌÐÔ£¬£¬£¬£¬¶Å¾øÁËÈö©Õ÷Ï󣬣¬£¬£¬Í¬Ê±ÒÔ¸üСµÄÕ¼µØÃæ»ýʵÏÖÁ˸ü¸ßµÄÔËËÍÄÜÁ¦£¬£¬£¬£¬ÓÅ»¯ÁËÔ°µØ½á¹¹¡£¡£ ¡£¡£¡£

ÕâÒ»ÒÔ·ÏÖηϵÄÉè¼Æ¼Æ»®£¬£¬£¬£¬Á¬Ïµ¸ßЧµÄÔËËͰü¹Ü£¬£¬£¬£¬²»µ«Îª¸àÌåÌṩÁËÎȹ̡¢¾­¼ÃµÄȪԴ£¬£¬£¬£¬¸üʵÏÖÄêÏûÄÉúí·Ê¯47.10Íò¶Ö¡¢·Ûú»Ò7.07Íò¶Ö£¬£¬£¬£¬ÓÐÓýâ¾öÁËÖܱߵØÇø¹ÌÌå·ÅÆúÎï´¦Öóͷ£ÄÑÌ⣬£¬£¬£¬ÎªÃº¿óÂÌÉ«Éú²úÌṩÁËÓÐÁ¦Ö§³Ö£¬£¬£¬£¬ÊµÏÖÁË×ÊÔ´ÊÍ·ÅÓëÇéÐα £»£»£»£»¤µÄÉè¼ÆË«Ó®¡£¡£ ¡£¡£¡£

¡°ºÁÃ×¼¶¡±ÖÇ¿ØÐ¾£º¾«×¼ÖÇÄܳäÌîϵͳ

ΪʵÏÖ¡°ÈýÏ¡±ÇøÓò¿ª²ÉËù±ØÐèµÄºÁÃ×¼¶³Á½µ¿ØÖÆÄ¿µÄ£¬£¬£¬£¬ÏîÄ¿ÍŶÓÔÚÉè¼Æ¼Æ»®ÖÐÉî¶È¼¯³ÉÁËÏȽøµÄÖÇÄÜ»¯³äÌî¿ØÖÆÏµÍ³¡£¡£ ¡£¡£¡£¸Ãϵͳ×÷ΪÏîÄ¿µÄ¡°Éñ¾­ÖÐÊࡱ£¬£¬£¬£¬ÈÚºÏÁËÅÌËã»ú¡¢¿ØÖÆÓëͨѶÊÖÒÕ£¬£¬£¬£¬ÓÉͨѶϵͳ¡¢µØÃ漯¿ØÏµÍ³¡¢¹Ü·բ·§ºÍҺλʵʱ¼à¿ØÏµÍ³¡¢Éú²úÖÎÀíϵͳÒÔ¼°ÊÓÆµ¼àÊÓϵͳµÈ×Óϵͳ×é³É£¬£¬£¬£¬ÊµÏÖÁ˵ØÃ漯ÖпØÖÆ¡¢¾®ÏÂÒªº¦²ÎÊýÔ¶³Ì¼à²â¡¢¹ÊÕÏÔ¤¾¯¼°²Ù×÷Àú³Ì¿É×·ËݵȽ¹µã¹¦Ð§¡£¡£ ¡£¡£¡£¸ÃÖÇÄÜ¿ØÖÆÏµÍ³µÄ׼ȷÉè¼ÆÓëÎȹÌÔËÐУ¬£¬£¬£¬ÓÐÓðü¹ÜÁ˳äÌî×÷ÒµµÄÖÊÁ¿ºÍЧÂÊ£¬£¬£¬£¬Àֳɽ«µØ±íϳÁÁ¿¿ØÖÆÔÚ10ºÁÃ×ÒÔÄÚ£¬£¬£¬£¬Öª×ãÁËÇå¾²¿ª²ÉµÄÑÏ¿áÒªÇ󣬣¬£¬£¬Í¬Ê±ÌáÉýÁËÕûÌåÉú²úЧÂÊ¡£¡£ ¡£¡£¡£

ÏîÄ¿µÄÀÖ³ÉʵÑé´øÀ´ÁËÏÔÖøÐ§Òæ£¬£¬£¬£¬Éè¼ÆÇøÓòÀÖ³ÉÊͷſɲɴ¢Á¿898.17Íò¶Ö£¬£¬£¬£¬ÀÛ¼ÆÊÍ·Åѹ¸²×ÊÔ´19.5Íò¶Ö£¬£¬£¬£¬ÓÐÓÃÑÓÉì¿ó¾®Ð§ÀÍÄêÏÞ´ï12.47Ä꣬£¬£¬£¬½«ÉîÂñµØÏµġ°ÄýÖÍ×ÊÔ´¡±×ª»¯ÎªÁËÖ§³ÖÆóÒµ¿ÉÒ»Á¬Éú³¤µÄ¼áʵ»ù´¡¡£¡£ ¡£¡£¡£

ÏÂÒ»²½£¬£¬£¬£¬ÏîÄ¿ÍŶӽ«Ò»Ö±ÓÅ»¯ÊÖÒռƻ®£¬£¬£¬£¬ÍØÕ¹Ó¦Óó¡¾°£¬£¬£¬£¬¼ÓËÙÍÆ½ø¡°È«¹Ì·Ï¡±¸àÌå³äÌîÖÇÄÜ»¯ÊÖÒյıê×¼»¯Àú³ÌÓë¿çÇøÓò¹æÄ £»£»£»£»¯Ó¦Ó㬣¬£¬£¬ÎªÃºÌ¿ÐÐÒµÇå¾²¡¢ÂÌÉ«¡¢¸ßЧÉú³¤Ìṩ¸üÇ¿ÊÖÒÕÖ§³Ö¡£¡£ ¡£¡£¡£

¡¾ÍøÕ¾µØÍ¼¡¿¡¾sitemap¡¿